名稱:2X型旋片式真空泵
2X型旋片式真空泵的產品用途及使用范圍:
1、2X型旋片式真空泵是用以抽除特定密封容器內的氣體,使該容器獲得一定真空的基本設備,由于現代科學技術的高度發展,真空泵的應用遍及各個科學領域和各種企業事業單位,可供冶金、化工、輕工、石油、醫療、制藥、印染、電器、電真空、半導體、食品、原子能、紡織等科研機關、大專院校、工礦企業作科研和生產與教學之用。
2、由于旋片式真空泵是用黑色金屬制造,而且比較精密,整個泵的工作都是聯系在一起的,所以旋片式真空泵不適用于抽除含氧過高的、有毒的、有爆炸性的浸蝕黑色金屬的和對真空油起化學作用的各種氣體,也不可做為壓縮機和輸送泵使用。如有氣鎮裝置的泵,可抽除一定地的可凝汽體。,
3、旋片式真空泵可以用來直接獲得真空度在10~3托以下的真空作業,以及配合其它真空作業之用。
4、旋片式真空泵一般在不低于5℃的室溫及不高于90%的相對溫度的環境內使用。
2X型旋片式真空泵的結構及原理:
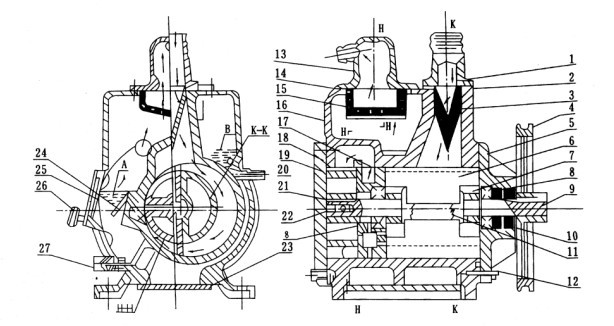
5、圖1是旋片式真空泵泵原理圖,轉子3及7與高真空室外1及低真空室6相切,轉子3及7沿箭頭方向旋轉,帶動轉子槽內滑動的轉片旋轉,由于彈簧9及離心力的作用, 轉片外端緊貼高低真空室的內表面滑動,把轉子與高低真空室所形成的月洼形空間從進氣嘴2到排氣閥門5和從過氣管4到排氣閥門10之間分隔開來,形成二或三個容積,并且周期性的大小變化,當在圖示旋片式真空泵位置繼續旋轉時A及C容積逐漸增大,被抽容積氣體沒進氣嘴進入泵內,同時B及D容積逐漸減少,壓力升高,隨后沖開排氣閥門5及10,將氣體排出真空室外,氣體經過油面而排于大氣之中,因為油是淹住排氣門的,故能防止氣體返回真空室。當抽氣壓強較高時,高低真空室的閥門都排氣,相當于單級泵,當真空度較高時,全部氣體進入真空室,再由排氣閥門10排出,此時二級串聯即進入雙級泵工作。
如被抽除的氣體中含有較高的蒸汽氣體時,在氣體受到壓縮而其蒸汽的分壓強超過此蒸汽在泵內溫度下的飽和壓強時,此時蒸氣被壓縮成為液體,旋片式真空泵無法排出,而混在真空油內,使泵的性能大大降低。如果摻入適量的空氣,使蒸汽在受到壓縮時,其分壓強也低于泵溫的飽和壓強,則蒸汽在變成液體前就能被排出泵外去,故本系列2X-4以上的泵都裝有能放入一定量氣體的摻氣閥11見圖1

(圖1)附表
|
1
|
高真空室外
|
2
|
進氣嘴
|
3
|
轉子
|
4
|
過氣管
|
5
|
排氣閥門
|
|
6
|
低真空室
|
7
|
|
8
|
刮片
|
9
|
彈簧
|
10
|
|
6、2X系列的各種真空泵的外形和結構是基本相同的,泵由電機經三角皮帶傳動到轉子。電動機和泵用螺釘卡板固定在底盤上。
2X旋片式真空泵由泵體、高轉子、低轉子、前端板、后端板、高轉片、低轉片、排氣閥、排氣罩、視鏡等零部件組成。見圖2、圖3。
在2X旋片式真空泵體內壓入一個中隔板、將真空泵殼分成高低真空室,各室都有排氣門,高真空室排氣與低真空氣相通。高轉子前端伸出前軸;后端伸出后軸。前軸通過前端板的軸承支持、經過油密封室而伸出前端板外:后軸由中隔板上的軸承支持。而伸入低真空室內,低真空室轉子則裝在后軸上、故高低轉子均由前軸帶動。高低轉子都有對開的槽子,呈“T”形的旋片由彈簧支撐開而裝于槽內。2X旋片式真空泵的進氣口處有過濾網,而排氣口處有擋油網,視鏡左邊有摻氣閥,下邊有放油塞。

2X型旋片式真空泵附表
|
氣體路徑
|
3
|
過濾網
|
8
|
彈子
|
13
|
排氣罩
|
18
|
后端板
|
23
|
水蓋板
|
|
—→高真空路徑
|
4
|
皮帶輪
|
9
|
前軸
|
14
|
排氣罩墊
|
19
|
低轉子
|
24
|
排氣閥片
|
|
—→高真空路徑
|
5
|
前端板
|
10
|
油密封室
|
15
|
擋油網
|
20
|
冷卻水接頭
|
25
|
視窗
|
|
1
|
進氣嘴
|
6
|
高轉片
|
11
|
彈簧
|
16
|
泵殼
|
21
|
鍵
|
26
|
摻氣閥
|
|
2
|
密封圈
|
7
|
高轉子
|
12
|
定位銷釘
|
17
|
中隔板
|
22
|
底轉片
|
27
|
放油塞
|
2X型旋片式真空泵附表
|
1
|
皮帶輪
|
6
|
排氣咀
|
11
|
低轉子
|
16
|
鋼珠
|
21
|
閥片
|
|
2
|
鍵
|
7
|
密封圈
|
12
|
彈簧
|
17
|
手柄
|
22
|
檔板
|
|
3
|
前端板
|
8
|
排氣罩
|
13
|
底轉片
|
18
|
放油塞
|
23
|
油蓋
|
|
4
|
高轉子
|
9
|
過濾網
|
14
|
后端板
|
19
|
紙墊
|
24
|
定位銷釘
|
|
5
|
高轉片
|
10
|
泵體
|
15
|
彈簧
|
20
|
閥座
|
|
|
7、2X旋片式真空泵抽氣過程:見圖2,氣體由進氣嘴進入高真空室,起初是高壓強,高低真空室都充滿大氣,兩個排氣門都打開排氣。隨著抽氣的進行,氣壓下降(即真空度提高),高真空室壓力不足以推開排氣門,氣體經中隔板進入低真空室,此時壓力亦不足推開排氣門,但低真空室進入有一定量油,幫助推開排氣門,氣體亦隨之排出。排出的氣體平雜著的油粒,經擋油網濾而使油分離,只有氣體排出泵外,氣體路徑見圖2。
8、2X旋片式真空泵油密封室里的油,由油池A經前端板上的孔供給。低真空室里的油,由油池A經后端板上的孔供給。高真空室的油,由中隔板上的孔,循環供給。2X旋片式真空泵前后端蓋的密封是由泵體上部的油池B經泵體端面室的孔而流入油槽進行密封。
2X型旋片式真空泵的性能參數:
|
|
2X-2
|
2X-4A
|
2X-8A
|
2X-8
|
|
2X-15A
|
2X-15
|
2X-30
|
2X-70
|
|
2
|
4
|
8
|
15
|
30
|
70
|
|
極限真空
|
關氣鎮
開氣鎮
|
Pa(Torr)
|
6×10-2(≤5×10-4)110
|
|
6×10-1(5×10-3)
|
(≤1×10)
|
|
電動機功率(KW)
|
0.37
|
0.55
|
1.1
|
1.5
|
3
|
5.5
|
|
溫升(℃)
|
≤40
|
|
進氣口徑(mm)
|
18
|
25
|
40
|
40
|
65
|
80
|
|
轉速(r/min)
|
450
|
590
|
450 420
|
420
|
|
用油量(L)
|
0.7
|
1.0
|
2.0
|
2.8
|
3.0
|
4.2
|
|
噪聲dB(A)
|
68
|
≤68
|
≤70
|
≤75
|
≤78(~70)
|
≤80(~75)
|
|
外形尺寸(cm)
|
56×31×39
|
56×34×37
|
79×43×54
|
79×53×54
|
78×50×56
|
91×65×70
|
|
適用電磁閥型號
|
DDC-JQ25
|
DDC-JQ40
|
DDC-JQ65
|
DDC-JQ80
|
|
重量(kg)
|
58
|
55
|
80
|
110
|
232
|
330
|
|
2X旋片式真空泵冷卻方式
|
自然冷卻
|
水冷
|
|
自然冷
|
水冷
|
|
冷卻水量(L/min)
|
-
|
>0.5
|
|
-
|
>0.8
|
>1
|
|
2X型旋片式真空泵注意:
(1)真空度是指被抽容器內剩余氣體壓強,以分壓強為我廠出廠標準,總壓強為輔助標準,熱偶計測的是各種蒸汽和永久氣體的總壓強,而麥氏表只能測出永久氣體占的分壓強,故二表的數值有一定的差異。
(2)抽速度是根據幾何尺寸算出的在大氣壓強j時,實際抽速與幾何抽速基本相符合,在各種不同的壓強時,抽速有一定下降,抽速與壓力關系見圖4。
(3)溫升是指泵溫穩定后,在排氣閥門處的油的溫度與室溫之差。
(4)2X旋片式真空泵型號表示方法:列2K—1,2代表雙級泵,K代表旋片式真空泵,一橫線后面的數字代表每秒鐘的抽速。
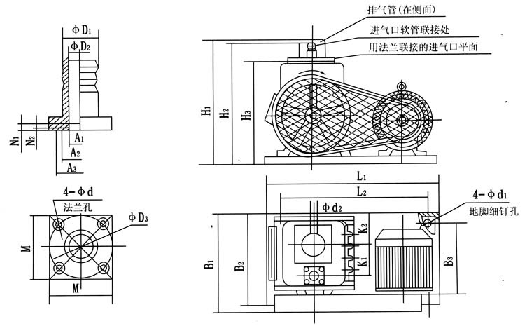
2X型旋片式真空泵的安裝尺寸表:

|
代號型號
|
φD1
|
φD2
|
φD3
|
Al
|
A2
|
A3
|
N1
|
N2
|
M
|
φd
|
H1
|
H2
|
H3
|
L1
|
L2
|
L3
|
B1
|
B2
|
B3
|
K1
|
K2
|
φdl
|
φd2
|
|
2X-1
|
27
|
20
|
50
|
23
|
30
|
34
|
3
|
3
|
48
|
5.5
|
270
|
265
|
230
|
435
|
352
|
135
|
250
|
215
|
157
|
60
|
|
11
|
20
|
|
2X-2
|
30
|
25
|
|
|
|
45
|
3
|
3
|
55
|
6
|
270
|
260
|
|
400
|
380
|
|
260
|
260
|
200
|
|
|
10
|
25
|
|
2X-4
|
32
|
28
|
55
|
31
|
35
|
45
|
4
|
3
|
55
|
6.5
|
340
|
327
|
267
|
520
|
480
|
119
|
300
|
260
|
200
|
82
|
105
|
11
|
25
|
|
2X-8
|
41
|
34
|
64
|
38
|
42.5
|
52.5
|
4
|
3
|
64
|
7
|
360
|
380
|
302
|
560
|
520
|
130
|
328
|
280
|
210
|
88
|
112
|
11
|
32
|
|
2X-15
|
56.5
|
36
|
105
|
54
|
70
|
80
|
5
|
3
|
100
|
11
|
540
|
511
|
340
|
772
|
736
|
170
|
542
|
492
|
364
|
120
|
80
|
14
|
|
|
2X-30
|
85
|
65
|
105
|
75
|
85
|
93
|
5
|
3
|
100
|
9
|
560
|
550
|
463
|
780
|
730
|
185
|
500
|
390
|
340
|
140
|
136
|
16
|
|
|
2X-70
|
|
80
|
125
|
96
|
105
|
113
|
6
|
3
|
130
|
9
|
692
|
680
|
556
|
908
|
848
|
210
|
650
|
530
|
470
|
176
|
144
|
20
|
G3
|
2X型旋片式真空泵的拆箱安裝:
拆箱后小心取出旋片真空泵體、備附件及說明書并保管好作日后備用。除去填充物,擦凈泵的表面灰塵、垢。按裝箱單清點數目。
旋片真空泵安裝在環境清潔、通氣良好,光線充足符合第4條要求的室內。根據使用情況泵應安裝在有一定寬裕的場地,以便于操作維護。泵的外形尺寸見。旋片真空泵可以放置在堅實平坦的地面上,不需特別的地基,如需固定可另加螺釘與基礎固牢,地腳螺釘尺寸見。旋片真空泵如靠近精密儀表使用時,應考慮增加防震裝置。
將被抽容器用真空軟管或法蘭與旋片真空泵相聯結,如用法蘭聯接時,法蘭上應有橡膠圈槽,形式及尺寸見圖50聯接被抽容器的管徑不應小于泵進氣口直徑,管通宜短,接頭宜少,否則影響抽速,管道和接頭的漏氣量應小。被抽容器的氣體量應與泵的抽速相適應,旋片真空泵的抽速關系見圖4。在泵與被抽容器之間建議裝上一個真空閥,以便控制氣體流量。對于泵并建議裝上一個放氣閥(或電磁閥)以便停車時對泵放氣,能防止返油以及容易起動。
按照電機標牌所示電壓和接線方式接上電源,并建議采用保險裝置以免超載,判明電機旋轉方向,應與泵上箭頭方向一致。取下排氣塞裝上排氣罩,或將排所嘴上的套子取下。旋片真空泵需冷卻者接上水源。
如必須使泵抽除有毒的及腐蝕黑色金屬的氣體、對真空油起化學變化的氣體、及超過常溫和有塵埃的氣體時,應在進氣管道上加裝中和、冷卻、過濾等有關裝置配合使用,否則將影響旋片真空泵使用性能和壽命。抽除對人體有害的氣體時,應安上相應的管道,將排出氣體引至室外遠離工區進行處理。
注:安裝時應小心,防止鐵屑、污物、塵埃等落入泵內
2X型旋片式真空泵的使用說明:
1、旋片真空泵運轉注意事項:
(1)斷續起動1—2次,觀察在運轉中有無異常聲響及特殊的震動,無問題方可邊續運轉。
(2)注意油面應在視鏡的兩條油標線之間,油量多了會引起起動困難、返油、噴油等不良現象,少了則影響真空度。油量不足時應通過加油孔加油。注意久停的泵油面要下降,將泵連續運轉幾轉后,油面才會上升。
(3)打開冷卻水
(4)打開泵進氣嘴上的閥門,打開的大小視具體情況而定。
2、對初次安裝好的旋片真空泵,應先做一次試車運轉,此時泵應無安裝不當的振動及無特殊沖擊聲響,電機不應超負荷,油溫和極限真空度應符合技術規格。
3、停旋片真空泵時應先關斷進氣嘴上的閥門,裝有放氣閥者對泵放氣,再截斷電源,再停水源。
4、旋片真空泵使用中注意事項:
(1)經常注意油位。
(2)泵起動后再緩慢打開閥門。
(3)經常注意泵運轉是否正常,有無特殊聲響,電機是否超負荷運轉。
(4)注意冷卻水是否中斷。
(5)注意泵溫升不超過40℃
(6)如停車后旋片式真空泵溫要下降到5℃以下時,泵內冷水必須除凈。
2X型旋片式真空泵的維護保養:
1、旋片真空泵在工作中除了注意第15條事項外,尚須注意下列事項:
(1)旋片真空泵須經常保持清潔,泵上不得放置其他物件。
(2)注意皮帶松緊是否適當,第半年年調整一次。
(3)管道接頭是否漏氣,及時杜絕。
2、旋片真空泵連續工作三月至半年之后,就應換油一次,在濕度較大的地區,在潮濕季節工作的泵,或被抽氣體污染很大的,應根據具體情況酌情縮短換油時間。
換油事項如下:
(1)將旋片真空泵拆除真空系統,把底盤電機一端墊高些,打開放油塞放油,轉動真空泵、捂住排氣口,使腔內污油全部從放油口放出,再從進氣口處加入新油100—500ml持續轉動5—10轉以上對,內部進行清洗,照此操作3—5次,特污油放清后,再裝上放油塞,將泵放平,從進氣口及加油孔分別加入新油,換油即告完畢。
(2)換油時不宜長久開動電機,以免使排氣閥片跳動過于劇烈和疲勞。
(3)嚴禁用煤油、汽油、酒精等對泵作非拆卸的清洗。
注:旋片式真空泵換油最好的油溫升高后進行。
3、如停旋片真空泵時間較長,應取下排氣罩放上排氣塞,封閉進氣口,放凈積水。
2X型旋片式真空泵的使故障原因及消除方法:
旋片式真空泵一般故障的排除:
1、旋片式真空泵真空度不高:
(1)泵溫太高:
(2)如被抽氣體溫度高,則應先將氣體冷卻后再進入旋片真空泵內。B、如吸入硬物缸內磨損,應修復更換。
(3)如泵的冷卻水不夠,應打開或加大冷卻水。D、如裝配不當,造成單面磨損,應檢查再裝。
(4)油位過低未到視鏡油線位置,應加夠油量。
(5)摻氣閥未關嚴漏氣,應關嚴。
(6)油質變壞,更換新油。
(7)旋片真空泵漏大氣多是由于泵的端面油封不良所致,這時應打開排氣蓋,檢查B處油池是否缺油,如無油應從加油孔處加油,使油池B處積滿油.
(8)轉片彈簧折斷,應拆下更換。
(9)閥門片損壞,應更換。
(10)前端板上油密封里的密封圈損壞或橡膠變質,應更換。
(11)旋片真空泵使用時間長,磨損大、間隙增大,應修復或更換受損零件。
(12)進氣處過濾網堵塞,取下清洗。
2、旋片式真空泵電機超負荷運轉:
(1)旋片真空泵溫太高,照20條(1)款(1)項處理。
(2)吸入鐵屑或其它機械物質造成單面磨損,應予修復或更換磨損零件。
(3)裝配不當,造成單面磨損或咬毛,應修理重新裝配。
3、旋片式真空泵其它:
(1)軸端漏油,密封圈磨損或裝配不正確,應更換或重裝。
(2)開車噴油,油位太高,應放出多余的油,或各擋油裝置已壞,應重新調整或修理。
(3)端面漏油,因前后端面碰傷不平,端板未擰緊,應將端面修平擰緊。
2X型旋片式真空泵的維修:
1、將旋片式真空泵拆離真空系統,放油先拆低真空端(見圖3),取下后端板后,再取低真空轉子及鍵,然后將前端板拆下,取出真空轉子及轉片、彈簧等,取下視鏡、排氣閥門、排氣蓋,用汽油或者用酒精徹底清洗全部零件。拆時應注意每個零件的部位,方向及組合松緊,拆下的零件應分開放置, 不允許混在一起,互相磨傷。檢查全部零部件,看有無磨損或拉毛,打爛等不良現象,按情況進行修理或更換。特別注意前后端板發現有較大程度的擦傷,說明裝配時轉子與中隔板不垂直,應予調整定位銷釘,如太嚴重時應予修理或更換。旋片式真空泵檢查間隙:分別將高轉子放入高真空室,低轉子放入低真空室,用刀口尺及厚薄規檢查間隙,兩端的間隙應基本相等。
2、裝配前應清洗干凈并烘干,按圖4進行裝配,先裝高真空端,將彈簧轉片托起裝入高轉子內,然后放進高真空室,裝上前端板,再裝定位銷釘,均勻擰緊螺釘,裝配后應保證轉動靈活輕松 ,均勻一致。然后再裝低真空轉子及后端蓋,低轉片的槽應向后端板一邊。再裝排氣門,排氣閥片應貼緊閥板坐,再裝其它零件。
3、裝配時應注意,凡轉動部位應先打上真空油,注意清潔,嚴禁鐵屑泥砂塵埃等落入泵內,定位銷釘要接觸良好,裝好的旋片式真空泵應轉動輕松,無轉重不均,并沒有阻滯現象。總裝完后,分別從進氣嘴及加油孔加油,旋片式真空泵裝油在視鏡橫線處為止,再試車。
2X型旋片式真空泵的訂貨須知:
請提供以下詳細數據:①旋片式真空泵的產品名稱與型號②旋片式真空泵的真空度要求單位PA或MPA③旋片式真空泵抽速要求單位L/S或M3/MIN④旋片式真空泵的使用條件和功況條件⑤旋片式真空泵的電機功率(KW)⑥旋片式真空泵的轉速(r/min)⑦旋片式真空泵的電壓〔V〕⑧旋片式真空泵的進出口口徑⑨旋片式真空泵是否帶附件,以便我們的為您正確選型。
感謝訪問泉達,我公司主要生產管道泵,自吸泵,排污泵等產品